">
首页
关于我们
产品中心
技术文章
新闻资讯
工程案例
联系我们
产品展示
/
当前位置:
首页
> 产品展示
产品分类
上海自动化仪表一厂
上海自动化仪表三厂
上海自动化仪表四厂
上海自动化仪表五厂
上海自动化仪表六厂
上海自动化仪表七厂
上海自动化仪表九厂
上海自动化仪表十一厂
上海远东仪表厂
上海自一船用仪表厂
上海怡泰仪表有限公司
上海大华仪表厂
上海华东电子仪器厂
上海电工仪器厂
上海上自仪转速表仪表电机有限公司
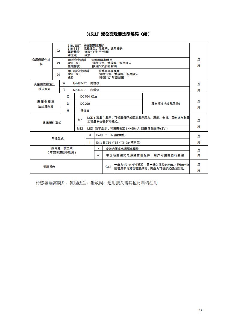
3151LT液位变送器
产品型号:
3151LT
产品产地:
上海
发布日期:
2025-07-01
浏览次数:
次
咨询电话:
021-56629198
关 键 词:
上海自动化仪表一厂
下一个产品
上一个产品
详细介绍
关于我们
产品中心
技术文章
新闻资讯
工程案例
联系我们
Copyright © 2021-
上海铂云自动化仪表有限公司 All Rights Reserved. 备案号:
沪ICP备16032456号
在
线
客
服
微信二维码
QQ二维码